ASME B18.2.1-8 สลักเกลียวหน้าแปลนหัวหกเหลี่ยม
สินค้า: ASME B18.2.1-8 สลักเกลียวหน้าแปลนหัวหกเหลี่ยม
ระดับทรัพย์สิน: Gr307A, 307B, 325, A449, A490 2,5,8
เสร็จสิ้น:การชุบสังกะสี (สังกะสีสีเหลือง, สังกะสีสีฟ้า, สีล้าง), สีดำ, ฟอสเฟตและน้ำมัน, สังกะสีฟอสเฟต, ชุบสังกะสีแบบจุ่มร้อน (HDG), Dacromet, Geomet
วัสดุ:เหล็ก
ประเทศผู้ส่งออก: สหรัฐอเมริกา ญี่ปุ่น ออสเตรเลีย ยุโรปและอื่นๆ
รองรับการปรับแต่งของลูกค้า
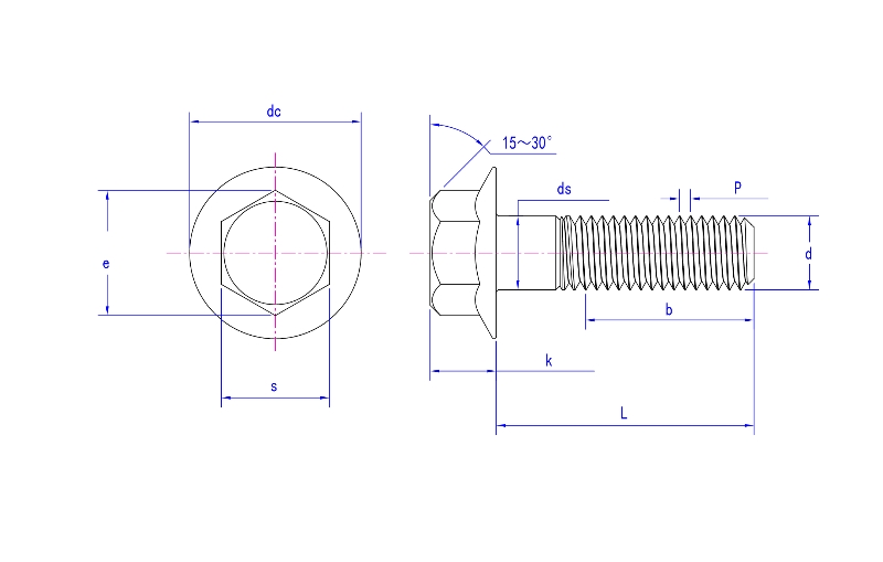
สลักเกลียวหน้าแปลนหัวหกเหลี่ยมเป็นตัวยึดที่ประกอบด้วยหัวหกเหลี่ยม แผ่นหน้าแปลน และแกนสกรู
รูปภาพ
การวาดภาพผลิตภัณฑ์
คุณสมบัติของผลิตภัณฑ์
ขนาด |
1/4 |
5/16 |
3/8 |
7/16 |
1/2 |
9/16 |
5/8 |
3/4 |
|
ป |
20|28|32 |
18|24|32 |
16|24|32 |
14|20|28 |
13|20|28 |
12|18|24 |
11|18|24 |
10|16|20 |
|
ดีเอส |
สูงสุด |
0.25 |
0.3125 |
0.375 |
0.4375 |
0.5 |
0.5625 |
0.625 |
0.75 |
นาที |
0.245 |
0.3065 |
0.369 |
0.4305 |
0.493 |
0.5545 |
0.617 |
0.741 |
|
ส |
สูงสุด |
0.375 |
0.5 |
0.5625 |
0.625 |
0.75 |
0.8125 |
0.9375 |
1.125 |
นาที |
0.367 |
0.489 |
0.551 |
0.612 |
0.736 |
0.798 |
0.922 |
1.125 |
|
จ |
สูงสุด |
0.433 |
0.577 |
0.65 |
0.722 |
0.866 |
0.938 |
1.083 |
1.299 |
นาที |
0.409 |
0.548 |
0.618 |
0.685 |
0.825 |
0.895 |
1.034 |
1.234 |
|
กระแสตรงสูงสุด |
0.56 |
0.68 |
0.81 |
0.93 |
1.07 |
1.19 |
1.33 |
1.59 |
|
เคสูงสุด |
0.28 |
0.32 |
0.39 |
0.46 |
0.51 |
0.57 |
0.62 |
0.73 |
|
รองรับการปรับแต่งของลูกค้า |
|||||||||
การแนะนำบางส่วนเกี่ยวกับบริษัทของเรา
แอปพลิเคชัน
ผลิตภัณฑ์ของเราถูกนำมาใช้กันอย่างแพร่หลายในด้านเครื่องกล ไฟฟ้า ยานยนต์ การก่อสร้างอาคาร ทางรถไฟ สะพาน เรือกลไฟ ระบบป้องกันอัคคีภัยและการสื่อสาร ฯลฯ
การประชุมเชิงปฏิบัติการ
การรับรอง
ด้วยการจัดการทางวิทยาศาสตร์ บริษัท Jinan Star Fastener Co., Ltd. ได้รับการรับรองระบบการจัดการคุณภาพ ISO9001 เวอร์ชันปี 2015 ในปี 2560 ห้องปฏิบัติการดังกล่าวผ่านการรับรอง CNAS ระดับประเทศ ในปี 2561 บริษัทได้ผ่านการรับรอง CE ของยุโรป
อุปกรณ์ทดสอบ
องค์กรของเรามีห้องปฏิบัติการเฉพาะทางที่มีเครื่องทดสอบความแข็งแบบดิจิทัล กล้องจุลทรรศน์ เครื่องจักรทดลองที่แพร่หลายอย่างกว้างขวาง เครื่องวัดความดันตามแนวแกน อุปกรณ์ตรวจจับการเปราะของไฮโดรเจน เครื่องตรวจจับข้อบกพร่องอนุภาคแม่เหล็ก เครื่องวิเคราะห์โลหะวิทยา เครื่องวิเคราะห์คาร์บอนและซัลเฟอร์ และเครื่องตรวจสอบสเปรย์เกลือ ฯลฯ อุปกรณ์ทดสอบเชิงทดลองใช้เพื่อทำการทดสอบองค์ประกอบทางเคมีของวัตถุดิบ ความแข็งของผลิตภัณฑ์ คุณสมบัติทางกล ความหนาของชั้นเคลือบ และความต้านทานการกัดกร่อนอย่างครอบคลุม เพื่อให้มั่นใจว่าผลิตภัณฑ์ทั้งหมดเป็นไปตามข้อกำหนดมาตรฐานและตรงตามความต้องการของลูกค้า
อุปกรณ์การผลิต
บริษัทของเรามีอุปกรณ์การผลิตมากกว่า 300 รายการ กระบวนการผลิตผลิตภัณฑ์ประกอบด้วย: การหลอม การพ่นทราย การรีดเย็น การรีดเกลียว การอบชุบด้วยความร้อน การชุบสังกะสี การทดสอบผลิตภัณฑ์สำเร็จรูป การบรรจุหีบห่อ ฯลฯ ล้วนแล้วเสร็จในบริษัท
การบรรจุ
บริการของเรา:
1. ปรับแต่งตัวยึดในอุดมคติ: ปรับแต่งบริการตามตัวอย่างและภาพวาดที่ให้ไว้
2. โซลูชั่นการยึดที่สมบูรณ์แบบด้วยประสบการณ์ 60 ปีในการแก้ปัญหาของคุณ: มีชิ้นส่วนให้เลือกมากมาย
3. ผู้ผลิตมืออาชีพ: ตัวยึดทั้งหมดของเราได้รับการออกแบบและผลิตตามข้อกำหนดและประสิทธิภาพของผู้ซื้อ
4. รับประกันคุณภาพ: การทดสอบความทนทานและการออกแบบเทคโนโลยีที่สำคัญเพื่อปรับปรุงอายุการใช้งานของตัวยึด
5. ความคุ้มค่า: มีชิ้นส่วนให้เลือกมากมาย ผลิตโดยโรงงานมืออาชีพ และราคาที่แข่งขันได้
คำถามที่พบบ่อย
1.เกี่ยวกับคุณภาพของผลิตภัณฑ์
คำถาม: คุณมั่นใจในคุณภาพของผลิตภัณฑ์ของคุณได้อย่างไร?
คำตอบ: เราปฏิบัติตามมาตรฐานการผลิตระดับสากลและอุตสาหกรรมอย่างเคร่งครัด ผลิตภัณฑ์แต่ละชุดจะผ่านการทดสอบคุณภาพอย่างเข้มงวดเพื่อให้แน่ใจว่าผลิตภัณฑ์เป็นไปตามมาตรฐานคุณภาพสูงสุด ในขณะเดียวกัน เราใช้วัสดุคุณภาพสูงและกระบวนการผลิตขั้นสูงเพื่อให้มั่นใจถึงความเสถียรและความทนทานของผลิตภัณฑ์
2.เกี่ยวกับบริการที่กำหนดเอง
คำถาม: คุณสามารถให้บริการที่กำหนดเองได้หรือไม่?
คำตอบ: ใช่ เรามีบริการที่ปรับแต่งเฉพาะบุคคล คุณสามารถเลือกวัสดุ ขนาด การรักษาพื้นผิว ฯลฯ ที่เหมาะสมได้ตามความต้องการเฉพาะของคุณ เราจะปรับแต่งผลิตภัณฑ์ตัวยึดพิเศษให้กับคุณตามความต้องการของคุณ










