น็อตหน้าแปลนหกเหลี่ยม ISO 15072 พร้อมเกลียวละเอียด
      
                ผลิตภัณฑ์: สลักเกลียวหน้าแปลนหกเหลี่ยม ISO 15072 พร้อมเกลียวละเอียด ซีรีส์เล็ก ชนิด F
ระดับทรัพย์สิน:4.6,4.8,5.6,5.8,8.8,10.9,12.9,
เอ-70, เอ4-70, เอ4-80
เสร็จสิ้น: การชุบสังกะสี (สังกะสีสีเหลือง, สังกะสีสีน้ำเงิน, สีล้าง), สีดำ, ฟอสเฟตและน้ำมัน, สังกะสีฟอสเฟต, สังกะสีแบบจุ่มร้อน (HDG), Dacromet, เรขาคณิต
วัสดุ:เหล็ก
ประเทศส่งออก: สหรัฐอเมริกา, ญี่ปุ่น, ออสเตรเลีย, ยุโรป และอื่นๆ
รองรับการปรับแต่งของลูกค้า
ในการประกอบอุตสาหกรรมและเครื่องจักร ตัวยึดต้องเป็นไปตามมาตรฐานที่ชัดเจนเพื่อให้แน่ใจถึงความปลอดภัยและประสิทธิภาพน็อตหน้าแปลนหกเหลี่ยม ISO 15072 พร้อมเกลียวละเอียดเป็นตัวแทนของประเภทสลักเกลียวพิเศษที่ออกแบบมาเพื่อการยึดที่ปลอดภัยและเชื่อถือได้ในการใช้งานที่มีความแม่นยำสูง
บทความนี้จะเจาะลึกถึงคุณลักษณะ ข้อดี และการใช้งานจริงของน็อตหน้าแปลนหกเหลี่ยม ISO 15072 พร้อมเกลียวละเอียดช่วยให้วิศวกรและผู้ซื้อตัดสินใจอย่างรอบรู้
สลักเกลียวหน้าแปลนหกเหลี่ยม ISO 15072 พร้อมเกลียวละเอียดคืออะไร?
น็อตหน้าแปลนหกเหลี่ยม ISO 15072 พร้อมเกลียวละเอียดเป็นไปตามมาตรฐานสากล ISO 15072 ซึ่งกำหนดขนาด รูปทรงเกลียว และคุณสมบัติเชิงกลของสลักเกลียวหกเหลี่ยมที่มีเกลียวละเอียด ซึ่งแตกต่างจากเกลียวหยาบมาตรฐาน เกลียวละเอียดจะมีเกลียวละเอียดที่มีขนาดเล็กกว่า ทำให้ยึดเกาะได้ดีขึ้น มีความแข็งแรงในการดึงเพิ่มขึ้น และทนต่อการสั่นสะเทือนได้ดีขึ้น
สลักเกลียวเหล่านี้รวมความสะดวกของหน้าแปลนแบบบูรณาการเข้ากับความแม่นยำของการเกลียวละเอียด ทำให้เหมาะอย่างยิ่งสำหรับการใช้งานที่ต้องการความคลาดเคลื่อนต่ำและการยึดอย่างแน่นหนา
คุณสมบัติหลักของสลักเกลียวหน้าแปลนหกเหลี่ยม ISO 15072 พร้อมเกลียวละเอียด
1.เกลียวละเอียดเพื่อความแม่นยำที่เพิ่มขึ้น
ด้ายสนามละเอียดบนน็อตหน้าแปลนหกเหลี่ยม ISO 15072 พร้อมเกลียวละเอียดช่วยให้จับยึดได้ดีขึ้นและมีแรงยึดมากขึ้น เกลียวนี้ช่วยลดความเสี่ยงในการคลายตัวในสภาพแวดล้อมที่มีพลวัตหรือเกิดการสั่นสะเทือน
2.หัวหน้าแปลนแบบบูรณาการสำหรับการกระจายโหลด
หน้าแปลนใต้หัวหกเหลี่ยมช่วยกระจายน้ำหนักอย่างเท่าเทียมกัน ช่วยปกป้องวัสดุและไม่ต้องใช้แหวนรองแยกต่างหาก การออกแบบแบบบูรณาการนี้ช่วยลดความซับซ้อนในการประกอบและปรับปรุงความสมบูรณ์ของโครงสร้าง
3.ขนาดมาตรฐานตามมาตรฐาน ISO 15072
ผลิตตามมาตรฐานISO 15072มาตรฐานสากล สลักเกลียวเหล่านี้รับประกันความสม่ำเสมอและการใช้แทนกันได้ตลอดห่วงโซ่อุปทานทั่วโลก ทำให้การจัดหาและการเปลี่ยนทดแทนเป็นเรื่องง่าย
4.วัสดุและการเคลือบคุณภาพสูง
โดยทั่วไปทำจากเหล็กอัลลอยด์หรือสแตนเลสน็อตหน้าแปลนหกเหลี่ยม ISO 15072 พร้อมเกลียวละเอียดมีความแข็งแรงและทนทานต่อการกัดกร่อนได้ดีเยี่ยม การเคลือบผิว เช่น การชุบสังกะสี ช่วยเพิ่มความทนทานยิ่งขึ้น
การใช้งานของสลักเกลียวหน้าแปลนหกเหลี่ยม ISO 15072 ที่มีเกลียวละเอียด
ด้วยการทำเกลียวที่แม่นยำและการออกแบบที่แข็งแกร่ง สลักเกลียวเหล่านี้จึงถูกนำมาใช้กันอย่างแพร่หลายใน:
- อุตสาหกรรมยานยนต์และการบินและอวกาศ 
- เครื่องจักรที่มีความแม่นยำ 
- อิเล็กทรอนิกส์และเครื่องมือวัด 
- การประกอบเครื่องจักรกลหนัก 
- โครงการวิศวกรรมโครงสร้าง 
เกลียวละเอียดช่วยให้ยึดได้แน่นในสภาพแวดล้อมที่มีแรงกดสูงและการสั่นสะเทือน
วิธีเลือกสลักเกลียวหน้าแปลนหกเหลี่ยม ISO 15072 ที่มีเกลียวละเอียดที่เหมาะสม
พิจารณาสิ่งต่อไปนี้เมื่อเลือกน็อตหน้าแปลนหกเหลี่ยม ISO 15072 พร้อมเกลียวละเอียด-
- เกรดวัสดุ:สแตนเลสสตีลทนทานต่อการกัดกร่อน เหล็กอัลลอยด์มีความแข็งแรงสูง 
- ขนาดเกลียวและระยะห่าง:จับคู่ขนาดเกลียวอย่างแม่นยำตามมาตรฐาน ISO 15072 
- การรักษาพื้นผิว:เลือกการชุบสังกะสีหรือสารเคลือบป้องกันการกัดกร่อนอื่น ๆ ตามความต้องการ 
- ข้อกำหนดทางกล:ตรวจสอบความต้านทานแรงดึงและความแข็งที่ตรงกับความต้องการของโครงการของคุณ 
บทสรุป
น็อตหน้าแปลนหกเหลี่ยม ISO 15072 พร้อมเกลียวละเอียดมอบความแม่นยำ ความแข็งแกร่ง และความน่าเชื่อถือในการใช้งานการยึดที่ต้องใช้ความแม่นยำสูง เกลียวละเอียดช่วยเพิ่มประสิทธิภาพในการยึดและทนต่อการสั่นสะเทือน ในขณะที่การออกแบบหน้าแปลนแบบบูรณาการช่วยให้กระจายน้ำหนักได้สม่ำเสมอ
การเลือกสิ่งที่ถูกต้องน็อตหน้าแปลนหกเหลี่ยม ISO 15072 พร้อมเกลียวละเอียดเป็นสิ่งสำคัญสำหรับวิศวกรและผู้ผลิตที่ต้องการชิ้นส่วนที่คงทนและปลอดภัยตามมาตรฐานสากล
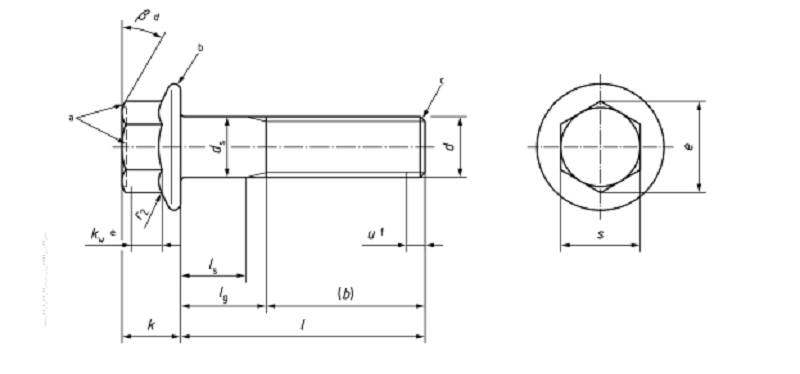
รูปภาพ



การวาดภาพผลิตภัณฑ์
ข้อมูลจำเพาะของผลิตภัณฑ์
| ขนาด | ม8 | ม10 | ม12 | ม14 | ม16 | |
| ไพธ | 1 | 1|1.25 | 1|1.25|1.5 | 1|1.5 | 1|1.5 | |
| ส | สูงสุด | 10 | 13 | 15 | 18 | 21 | 
| นาที | 9.78 | 12.73 | 14.73 | 17.73 | 20.67 | |
| อี(นาที) | 10.95 | 14.26 | 16.5 | 19.86 | 23.15 | |
| เค(สูงสุด) | 8.5 | 9.7 | 12.1 | 12.9 | 15.2 | |
| ds(นาที) | 7.78 | 9.78 | 11.73 | 13.73 | 15.73 | |
| รองรับการปรับแต่งของลูกค้า | ||||||


 
                                            
                                                                                        
                                         
                                            
                                                                                        
                                         
                                            
                                                                                        
                                        

 
                   
                   
                  